- Modell auswählen
 
Finden Sie gebrauchte Ferrari Testarossa Teile
Entdecken Sie unsere umfangreiche Sammlung gebrauchter Ferrari Testarossa-Teile, darunter Karosserieteile, Motoren, Getriebe, Räder und mehr. Wir gehen bei der Demontage jedes einzelnen Teils mit größter Sorgfalt vor und sind stolz auf unsere sorgfältige Handhabung.
Wir prüfen jedes Teil gründlich, garantieren seine Herkunft und sichern es mit der Eurospares-Garantie ab. Mit über 35 Jahren Erfahrung in der Beschaffung und Lieferung hochwertiger Autoteile haben wir uns einen Ruf für Exzellenz erworben. Seien Sie versichert, dass Sie beim Kauf gebrauchter Testarossa-Teile bei Eurospares in kompetenten Händen sind.
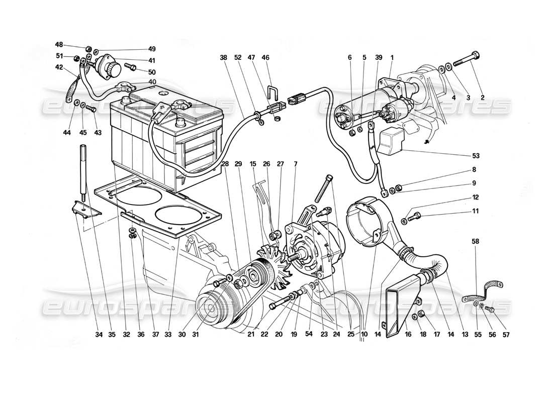
Sie können oben ein Auto auswählen, um die für dieses Auto verfügbaren Teile anzuzeigen, die Teilepräsentation besuchen, um eine Auswahl vorrätiger Teile zu durchsuchen, oder die Testarossa- Kataloge durchsuchen, um Teilediagramme anzuzeigen und alle verfügbaren Teile anzuzeigen. Darüber hinaus können Sie oben auf dieser Seite eine Suche starten oder uns kontaktieren, wenn Sie möchten, dass wir das Teil für Sie finden.
.webp)
.webp)
.webp)
.webp)
.webp)
.webp)
-part-diagram.webp)
-part-diagram.webp)