Ferrari 330 GT 2+2 Teildiagramme
Suchen Sie nach bestimmten Teilen für Ihr Ferrari 330 GT 2+2? Unsere Teilediagramme bieten eine einfache Möglichkeit zur Navigation und zum Auffinden dessen, was Sie benötigen.
001
KURBELGEHÄUSE

002
ÖLWANNE

003
KURBELWELLE UND ANLASSER

004
STÄBE VERBINDEN

005
ZYLINDERKÖPFE

006
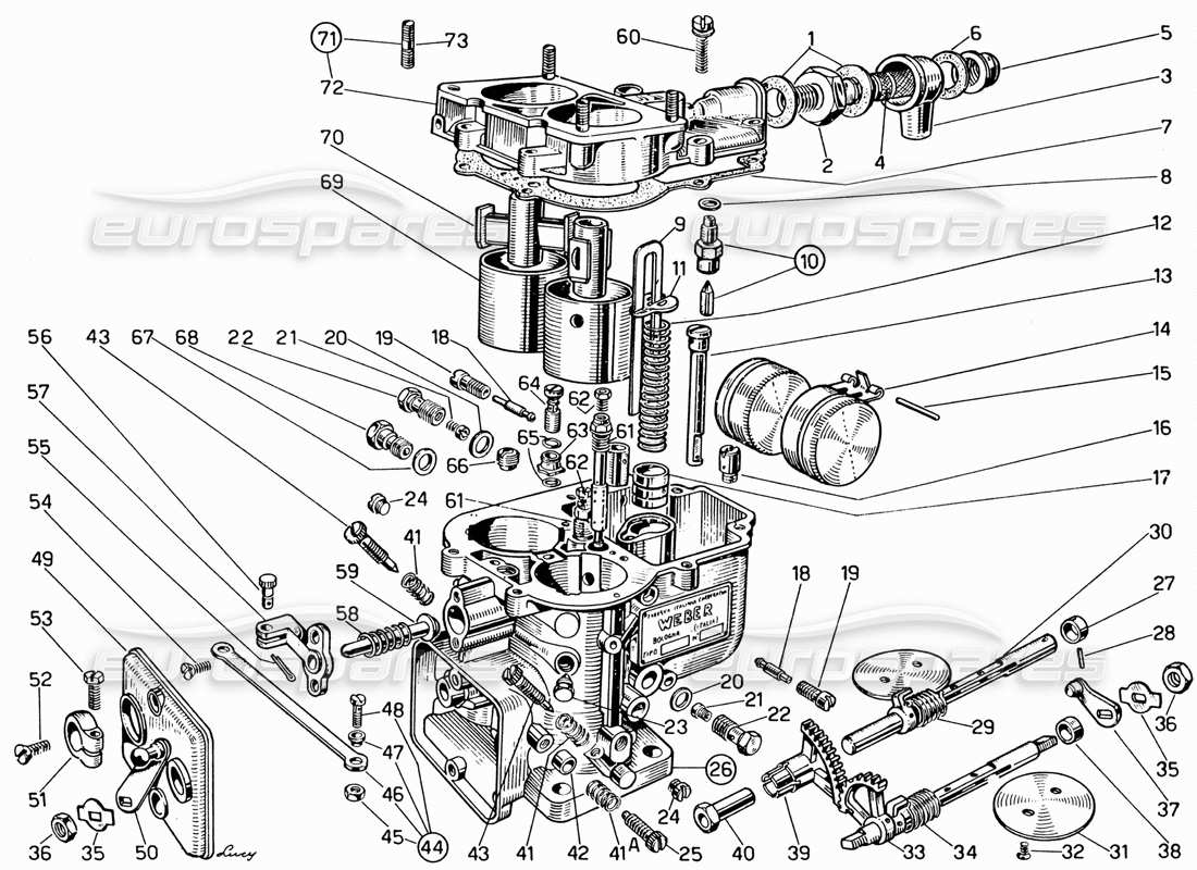
VERGASER

007
LUFTEINLASS UND VERTEILER

008
FÜTTERUNG UND KONTROLLEN

009
AUSPUFFKRÜMMER, SCHALLDÄMPFER UND VERLÄNGERUNGEN

010
ZEITLICHE KOORDINIERUNG

011
ÖLPUMPE UND FILTER

012
WASSERPUMPE UND LÜFTER

013
VERTEILER UND KONTROLLEN

014
VERKABELUNG – ZÜNDSPULEN UND BATTERIE

015
GENERATOR- UND MOTORENTLÜFTER

016
KUPPLUNG

017
KUPPLUNGSGEHÄUSE UND GETRIEBE

018
ZWISCHENGETRIEBEGEHÄUSE

019
SCHALTHEBEL

020
VORGELEGEWELLE

021
ABTRIEBSWELLE

022
OVERDRIVE UND GETRIEBEKLEMMUNG

023
GETRIEBEWELLE

024
DIFFERENTIALGEHÄUSE

025
HINTERACHSE

026
HINTERRADAUFHÄNGUNG

027
RAHMEN

028
OBERE QUERLENKER DER VORDERRADAUFHÄNGUNG

029
UNTERE ARME DER VORDERRADAUFHÄNGUNG

030
PEDALBOARD

031
BREMSSTEUERUNG

032
DOPPELTER HAUPTBREMSZYLINDER

033
VORDERRADBREMSEN UND NABEN

034
HINTERRADBREMSEN UND HANDBREMSE

035
REIFEN – RÄDER – NABEN – ACHSE

036
LENKGETRIEBE

037
LENKRAD UND LENKWELLE

038
LENKGESTÄNGE

039
WASSERKÜHLER

040
TREIBSTOFFTANK

041