Ferrari 365 GTB4 Daytona (1969) Teildiagramme
Durchsuchen Sie unsere Online-Teilediagramme, um jedes Zubehör und Ersatzteil für Ihr Ferrari 365 GTB4 Daytona (1969) zu finden.-part-diagram-001.webp)
001
KURBELGEHÄUSE
-part-diagram-002.webp)
002
ÖLWANNE & ÖLTANK
-part-diagram-003.webp)
003
KURBELWELLE, PLEUELSTANGEN UND KOLBEN
-part-diagram-004.webp)
004
ZYLINDERKÖPFE – NOCKENWELLENVENTILE
-part-diagram-005.webp)
005
ZEITLICHE KOORDINIERUNG
-part-diagram-006.webp)
006
ZEITLICHE KOORDINIERUNG
-part-diagram-006b.webp)
006b
ZEITPLANUNG (1974 REVISION)
-part-diagram-007.webp)
007
MOTORÖLPUMPE
-part-diagram-008.webp)
008
MOTORÖLFILTER UND BREMSKRAFTVERSTÄRKER-VAKUUMPUMPE
-part-diagram-009.webp)
009
KÜHLSYSTEM - WASSERPUMPE UND KÜHLER
-part-diagram-009b.webp)
009b
KÜHLSYSTEM – WASSERPUMPE UND KÜHLER (1974 REVISION)
-part-diagram-010.webp)
010
VERTEILER & STEUERUNGEN
-part-diagram-011.webp)
011
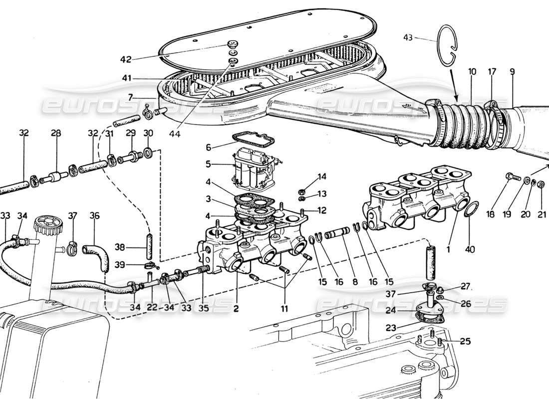
ANSAUGKRÜMMER – LUFTEINLASS
-part-diagram-011b.webp)
011b
ANSAUGKRÜMMER – LUFTEINLASS (1974 REVISION)
-part-diagram-012.webp)
012
VERGASER WEBER 40 DCN-20
-part-diagram-013.webp)
013
KRAFTSTOFFPUMPEN & KRAFTSTOFFLEITUNGEN
-part-diagram-013b.webp)
013b
KRAFTSTOFFPUMPEN UND KRAFTSTOFFLEITUNGEN (1974 REVISION)
-part-diagram-014.webp)
014
BESCHLEUNIGERSTEUERUNG
-part-diagram-014b.webp)
014b
BESCHLEUNIGERSTEUERUNG (1974 REVISION)
-part-diagram-015.webp)
015
KUPPLUNG & STEUERUNG
-part-diagram-016.webp)
016
GETRIEBEWELLE
-part-diagram-017.webp)
017
GETRIEBEGEHÄUSE – DIFFERENTIAL
-part-diagram-018.webp)
018
ABTRIEBSWELLENGETRIEBE
-part-diagram-019.webp)
019
VORGELEGEGETRIEBE
-part-diagram-020.webp)
020
GETRIEBESTEUERUNG UND ÖLPUMPE
-part-diagram-020b.webp)
020b
GETRIEBESTEUERUNG UND ÖLPUMPE (1974 REVISION)
-part-diagram-021.webp)
021
DIFFERENTIAL- UND ACHSWELLEN
-part-diagram-022.webp)
022
VORDERRADAUFHÄNGUNG
-part-diagram-023.webp)
023
STOßDÄMPFER, NABE UND VORDERE BREMSSCHEIBE
-part-diagram-024.webp)
024
HINTERRADAUFHÄNGUNG
-part-diagram-025.webp)
025
STOßDÄMPFER, NABE UND HINTERE BREMSSCHEIBE
-part-diagram-026.webp)
026
PEDALBOARD UND KUPPLUNGSSTEUERUNG
-part-diagram-027.webp)
027
BREMSENSTEUERUNG
-part-diagram-028.webp)
028
BREMSSÄTTEL VORN UND HINTEN
-part-diagram-029.webp)
029
BREMSLEITUNGSSYSTEM
-part-diagram-029b.webp)
029b
BREMSLEITUNGSSYSTEM (1974 REVISION)
-part-diagram-030.webp)
030
HANDBREMSSTEUERUNG
-part-diagram-031.webp)
031
RÄDER & REIFEN
-part-diagram-031b.webp)
031b
RÄDER UND REIFEN (1974 REVISION)
-part-diagram-032.webp)
032
LENKGETRIEBE UND LENKGESTÄNGE
-part-diagram-033.webp)
033
LENKSTEUERUNG
-part-diagram-034.webp)
034
KRAFTSTOFFTANKS UND ROHRLEITUNGEN
-part-diagram-035.webp)
035
GENERATOR, AKKUMULATORSPULEN & ANLASSER
-part-diagram-035b.webp)
035b
GENERATOR, AKKUMULATOR-SPULEN UND ANLASSER (1974 REVISION)
-part-diagram-036.webp)
036
ABGASSYSTEM
-part-diagram-036b.webp)
036b
ABGASANLAGE (1974 REVISION)
-part-diagram-037.webp)
037
KLIMAANLAGE
-part-diagram-038.webp)
038
KLIMAANLAGE
-part-diagram-039.webp)
039
WERKZEUGSATZ
-part-diagram-040a.webp)
040a
VAKUUMPUMPE (1972 REVISION)
-part-diagram-041a.webp)
041a
KRAFTSTOFFPUMPENSYSTEM (1972 REVISION)
-part-diagram-042a.webp)
042a
ABGASANLAGE (1972 REVISION)
-part-diagram-043a.webp)
043a
LUFTFILTER (1972 REVISION)
-part-diagram-044a.webp)
044a
BREMSSYSTEM (1972 REVISION)
-part-diagram-045a.webp)
045a