Ferrari F40 Teildiagramme

Beginnen Sie Ihre Reise zur Suche nach den richtigen Teilen für Ihr Ferrari F40, indem Sie sich unsere detaillierten Diagramme unten ansehen.

Diagrammfilter: Filtern Sie die Teilediagramme unten, indem Sie Schlüsselwörter wie „Bremse“, „Trimm“ oder „Motor“ eingeben.

ferrari f40 motorblock ersatzteildiagramm
001

MOTORBLOCK

ferrari f40 antriebswelle - pleuelstangen und kolben - teilediagramm motorschwungrad
002

ANTRIEBSWELLE – PLEUEL UND KOLBEN – MOTORSCHWUNGRAD

ferrari f40 teilediagramm für rechten zylinderkopf
003

RECHTER ZYLINDERKOPF

ferrari f40 teilediagramm für linken zylinderkopf
004

LINKER ZYLINDERKOPF

ferrari f40 timing - stößel-teilediagramm
005

TIMING – STÖßEL

ferrari f40 timing - steuerungen teilediagramm
006

TIMING – KONTROLLEN

ferrari f40 pumpe und kraftstoffleitungen -nicht für usa- teilediagramm
007

PUMPE UND KRAFTSTOFFLEITUNGEN -NICHT FÜR USA-

ferrari f40 pumpe und kraftstoffleitungen -gültig für usa- teilediagramm
008

PUMPE UND KRAFTSTOFFLEITUNGEN -GÜLTIG FÜR DIE USA-

ferrari f40 tanks und benzinentlüftungssystem -nicht für usa- teilediagramm
009

TANKS UND BENZINENTLÜFTUNGSSYSTEM -NICHT FÜR USA-

ferrari f40 tanks und benzinentlüftungssystem -gültig für usa- teilediagramm
010

TANKS UND BENZINENTLÜFTUNGSSYSTEM -GÜLTIG FÜR USA-

ferrari f40 teilediagramm des injektionsgeräts
011

INJEKTIONSGERÄT

ferrari f40 lufteinblasvorrichtung - gilt für fahrzeuge mit katalysator - nicht für usa - teilediagramm
012

LUFTEINBLASGERÄT – GÜLTIG FÜR FAHRZEUGE MIT KATALYSATOR – NICHT FÜR DIE USA –

ferrari f40 lufteinspritzvorrichtung - gültig für usa - teilediagramm
013

LUFTINJEKTIONSGERÄT -GÜLTIG FÜR USA-

ferrari f40 teilediagramm der beschleunigungssteuerung
014

BESCHLEUNIGERSTEUERUNG

ferrari f40 teilediagramm für krümmer und drosselklappen
015

VERTEILER- UND DROSSELKLAPPENGEHÄUSE

ferrari f40 wärmetauscher-teilediagramm
016

WÄRMETAUSCHER

ferrari f40 überversorgungssystem - nicht für fahrzeuge mit katalysator - teilediagramm
017

ÜBERVERSORGUNGSSYSTEM – NICHT FÜR FAHRZEUGE MIT KATALYSATOR –

ferrari f40 überversorgungssystem -gültig für fahrzeuge mit katalysator- teilediagramm
018

ÜBERVERSORGUNGSSYSTEM – GÜLTIG FÜR FAHRZEUGE MIT KATALYSATOR –

ferrari f40 überversorgungssystem schmierung und kühlung -nicht für fahrzeuge mit katalysator- teilediagramm
019

ÜBERVERSORGUNG DES SYSTEMS MIT SCHMIERUNG UND KÜHLUNG – NICHT FÜR FAHRZEUGE MIT KATALYSATOR –

ferrari f40 überversorgungssystem schmierung und kühlung -gültig für fahrzeuge mit katalysator- teilediagramm
020

ÜBERVERSORGUNGSSYSTEM MIT SCHMIERUNG UND KÜHLUNG – GÜLTIG FÜR FAHRZEUGE MIT KATALYSATOR –

ferrari f40 auspuffanlage -nicht für fahrzeuge mit katalysator- teilediagramm
021

ABGASANLAGE -NICHT FÜR FAHRZEUGE MIT KATALYSATOR-

ferrari f40 abgasanlage -gültig für fahrzeuge mit katalysator- teilediagramm
022

ABGASANLAGE -GÜLTIG FÜR FAHRZEUGE MIT KATALYSATOR-

ferrari f40 teilediagramm zum recycling von öldämpfen
023

ÖLDAMPF-RECYCLING

ferrari f40 teilediagramm des schmiersystems
024

SCHMIERSYSTEM

ferrari f40 schmierung - pumpenteilediagramm
025

SCHMIERUNG - PUMPEN

ferrari f40 teilediagramm des kühlsystems
026

KÜHLSYSTEM

ferrari f40 teilediagramm für wasserpumpe und rohrleitungen
027

WASSERPUMPE UND ROHRLEITUNGEN

ferrari f40 teilediagramm für brems- und kupplungspedale
028

BREMSEN UND KUPPLUNGSPEDALE

ferrari f40 kupplungs- und steuerteildiagramm
029

KUPPLUNG UND KONTROLLE

ferrari f40 getriebe-teilediagramm
030

GETRIEBEÜBERTRAGUNG

ferrari f40 teilediagramm des differentialgetriebes
031

DIFFERENTIALGETRIEBE

ferrari f40 teilediagramm für differential und achswellen
032

DIFFERENTIAL- UND ACHSWELLEN

ferrari f40 getriebeteildiagramm
033

GETRIEBE

ferrari f40 teilediagramm für hauptwellenzahnräder
034

HAUPTWELLENGETRIEBE

ferrari f40 teilediagramm für vorgelegewellenräder
035

WELLENRÄDER VERLEGEN

ferrari f40 teilediagramm für die internen getriebesteuerungen
036

INNERE GETRIEBESTEUERUNG

ferrari f40 teilediagramm für die getriebeschmierung
037

GETRIEBESCHMIERUNG

ferrari f40 teilediagramm für externe getriebesteuerungen
038

ÄUßERE GETRIEBESTEUERUNG

ferrari f40 bremssystem -nicht für usa- teilediagramm
039

BREMSSYSTEM -NICHT FÜR USA-

ferrari f40 bremssystem -gültig für usa- teilediagramm
040

BREMSSYSTEM -GÜLTIG FÜR USA-

ferrari f40 bremssättel für vorder- und hinterradbremsen - teilediagramm
041

BREMSSÄTTEL FÜR VORDER- UND HINTERRADBREMSEN

ferrari f40 teilediagramm für handbremssteuerung und bremssattel
042

HANDBREMSSTEUERUNG UND BREMSSATTEL

ferrari f40 teilediagramm für lenkgetriebe und gestänge
043

LENKGETRIEBE UND GESTÄNGE

ferrari f40 lenksteuerung teilediagramm
044

LENKSTEUERUNG

ferrari f40 vorderradaufhängung - teilediagramm stoßdämpfer und bremsscheibe
045

VORDERRADAUFHÄNGUNG – STOßDÄMPFER UND BREMSSCHEIBE

ferrari f40 vorderradaufhängung - hebelteilediagramm
046

VORDERRADAUFHÄNGUNG – HEBEL

ferrari f40 hinterradaufhängung - teilediagramm stoßdämpfer und bremsscheibe
047

HINTERRADAUFHÄNGUNG – STOßDÄMPFER UND BREMSSCHEIBE

ferrari f40 hinterradaufhängung - hebelteilediagramm
048

HINTERRADAUFHÄNGUNG – HEBEL

ferrari f40 hebesysteme (für entsprechend ausgestattete fahrzeuge) teilediagramm
049

HEBESYSTEME (FÜR AUSGERÜSTETE FAHRZEUGE)

ferrari f40 hebesysteme - einheiten - teilediagramm
050

HEBESYSTEME -EINHEITEN-

ferrari f40 räder ersatzteildiagramm
051

RÄDER

ferrari f40 teilediagramm der motorzündung
052

MOTORZÜNDUNG

ferrari f40 teilediagramm der aktuellen generation
053

DERZEITIGE GENERATION

ferrari f40 teilediagramm für klimaanlagenkompressoren
054

KLIMATISIERTER KOMPRESSOR

ferrari f40 geräteteildiagramm
055

AUSRÜSTUNG

ferrari f40 rahmen - vorderteil teilediagramm
101

RAHMEN - VORDERTEIL

ferrari f40 rahmen - hinterteil - nicht für fahrzeuge mit katalysator - teilediagramm
102

RAHMEN - HINTERTEIL -NICHT FÜR FAHRZEUGE MIT KATALYSATOR-

ferrari f40 rahmen - hinterteil - gilt für fahrzeuge mit katalysator - teilediagramm
103

RAHMEN - HINTERTEIL -GÜLTIG FÜR FAHRZEUGE MIT KATALYSATOR-

ferrari f40 äußere elemente karosserie - vorderteil teilediagramm
104

ÄUßERE ELEMENTE DES KÖRPERS - VORDERTEIL

ferrari f40 äußere elemente körper - zentralteil teilediagramm
105

ÄUßERE ELEMENTE DES KÖRPERS SIND DER ZENTRALE TEIL

ferrari f40 innere elemente des körpers - obere zone - teilediagramm
106

INTERNE ELEMENTE KÖRPER -OBERE ZONE-

ferrari f40 innere elemente des körpers - untere und mittlere zone - teilediagramm
107

INNERE ELEMENTE DES KÖRPERS – UNTERE UND MITTLERE ZONE –

ferrari f40 teilediagramm der fronthaube
108

FRONTHAUBE

ferrari f40 teilediagramm der hinteren haube
109

HECKHAUBE

ferrari f40 türen - glasausführung zum herablassen - teilediagramm
110

TÜREN -ABSTEIGENDE GLASVERSION-

ferrari f40 türen - glasschiebetüren - teilediagramm
111

TÜREN -SCHIEBEGLAS-VERSION-

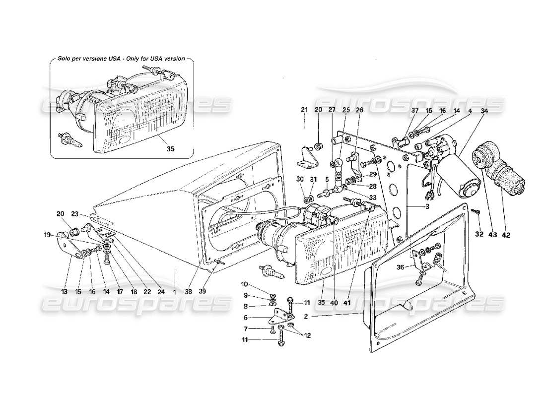
ferrari f40 teilediagramm für frontscheinwerfer
112

FRONTSCHEINWERFER

ferrari f40 vorrichtung zum anheben der scheinwerfer - teilediagramm
113

VORRICHTUNG ZUM ANHEBEN DER SCHEINWERFER

ferrari f40 teilediagramm für rücklichter
114

RÜCKLICHTER

ferrari f40 teilediagramm für schiebegläser und dichtungen
115

GLEITGLÄSER UND PACKUNGEN

ferrari f40 sitze - sicherheitsgurte -nicht für usa- teilediagramm
116

SITZE - SICHERHEITSGURTE -NICHT FÜR USA-

ferrari f40 sitze - passive sicherheitsgurte -gültig für usa- teilediagramm
117

SITZE - PASSIVE SICHERHEITSGURTE -GÜLTIG FÜR USA-

ferrari f40 armaturenbrett- und tunnelteildiagramm
118

DASHBOARD UND TUNNEL

ferrari f40 teilediagramm für kontroll- und befehlsinstrumente
119

KONTROLL- UND BEFEHLSINSTRUMENTE

ferrari f40 elektrisches system -nicht für usa- teilediagramm
120

ELEKTRISCHE ANLAGE -NICHT FÜR USA-

ferrari f40 elektrisches system -gültig für usa- teilediagramm
121

ELEKTRISCHE ANLAGE -GÜLTIG FÜR USA-

ferrari f40 schalttafel - sicherungen - relais - teilediagramm
122

SCHALTTAFEL – SICHERUNGEN – RELAIS

ferrari f40 teilediagramm für scheibenwischer und hupen
123

SCHEIBENWISCHER UND HUPEN

ferrari f40 teilediagramm der klimaanlage
124

KLIMAANLAGE