Lamborghini Espada Teile

Unsere riesige Auswahl umfasst jedes erdenkliche Espada-Teil, von komplexen Instrumentenanzeigen bis hin zum leistungsstarken V12-Motor selbst. Sehen Sie sich die Espada-Teilediagramme an, um alle Ersatzteile und Zubehörteile zu finden, die Sie suchen.

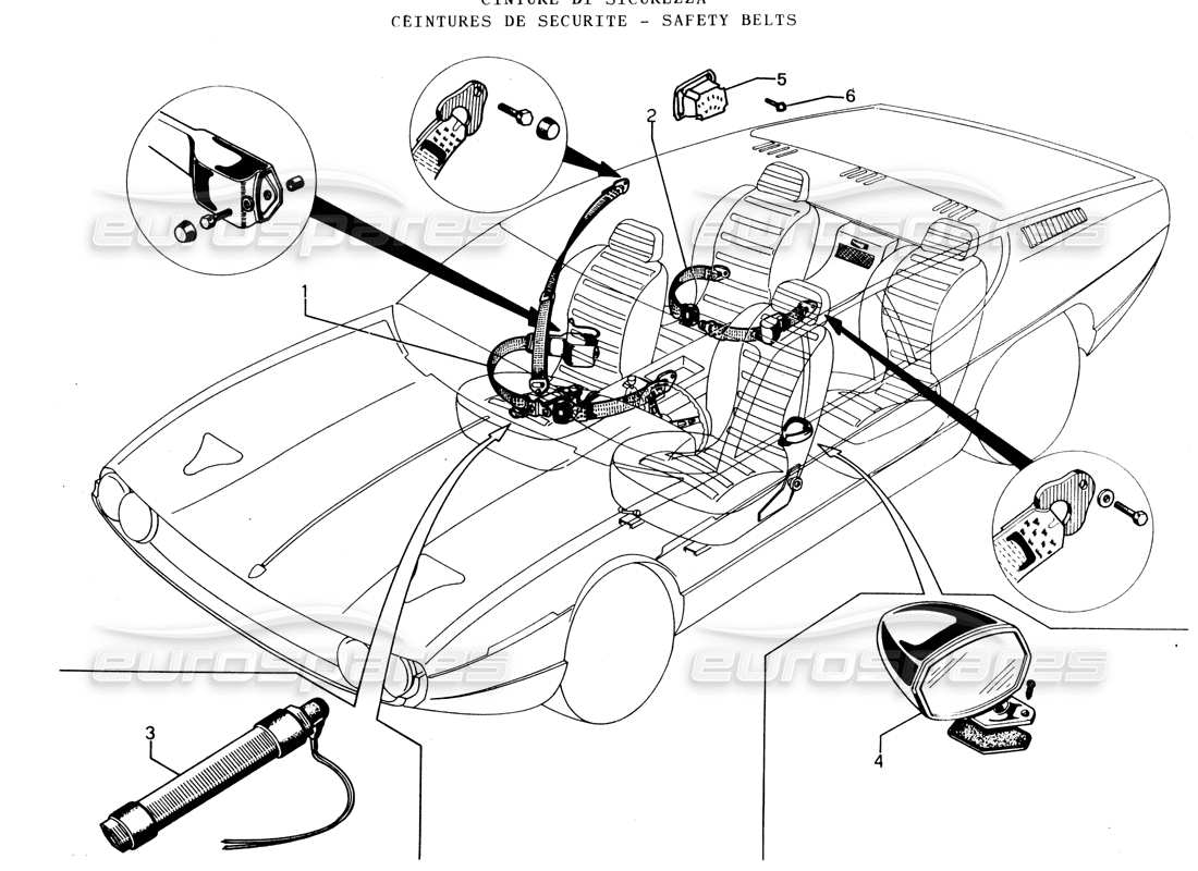
ein teilediagramm aus dem teilekatalog lamborghini espada
Espada

Espada

Der Lamborghini Espada: Eine Mischung aus Geschwindigkeit, Stil und Platz

Nach dem Miura kam der Espada. Beide Modelle stammten von Marcello Gandini bei Bertone, doch im Gegensatz zu seinem Vorgänger war der Espada ein vollwertiges Viersitzer-Coupé. Er erfüllte alle Kriterien in puncto Komfort, Leistung und Stil und bot zudem jede Menge Platz.

Als der Espada 1968 nach seinem Debüt auf dem Genfer Autosalon auf den Markt kam, war er der schnellste Viersitzer der Welt. Sein vorn montierter 4-Liter-V12 mit 390 PS konnte in 5,9 Sekunden von 0 auf 60 mph sprinten und die Höchstgeschwindigkeit lag bei 152 mph.

Mehr erfahren >>

Der nach dem Schwert eines Matadors benannte Espada basierte auf dem Marzal-Konzept von 1967 und zeichnete sich durch ein hochmodernes Design aus, an dem sich auch heute noch die Geister scheiden.

Dieses große, eindrucksvolle Coupé liegt tief am Boden, verfügt über eine hervorragend ausbalancierte Lenkung, minimale Seitenneigung und ein ruhiges Fahrgefühl – eine seltene Kombination aus GT-Anmut und Sportwagen-Performance. Es war Lamborghinis erster 2+2-Sitzer und wurde hervorragend umgesetzt.

Es ist eine extrem eigenwillige und auffällige Maschine, die sich dank des großzügigen Platzangebots in der Kabine und des nutzbaren Stauraums auch als familienfreundlich erweist . Hinzu kommt die charakteristische , aufrechte Glasscheibe über den Bremslichtern für verbesserte Sicht und die extra breiten Türen , die das Ein- und Aussteigen zum Kinderspiel machen.

Nachdem Lamborghini die Produktion des Islero eingestellt hatte, übernahm der Espada der Serie 2 die Produktion und wurde mit 575 Verkäufen von insgesamt 1.217 schnell zur meistverkauften Version der Marke.

Diese Generation wurde 1970 auf dem Brüsseler Autosalon vorgestellt und verfügte über eine Einzelradaufhängung und belüftete Scheibenbremsen – Verbesserungen, die das Handling und die Bremskraft verbesserten und den Ambitionen des Viersitzer-Grand-Tourer gerecht wurden.

Espadas galten in den 70er-Jahren als erschwingliche Supersportwagen, doch Lamborghini sparte nie an Luxus. Üppige Sitzplätze für vier Personen, ein verführerischer Innenraum und eine elegante Karosserie – all das ergab eine Erfolgsformel, die auch heute noch die Herzen der Fans erobert.

Kompletter Katalog mit Lamborghini Espada-Teilen verfügbar

Eurospares ist der weltweit größte Händler für Lamborghini-Ersatzteile und führt jedes einzelne Original-Espada-Ersatzteil. Wir unterstützen Kunden weltweit mit Leidenschaft bei ihren Restaurierungsarbeiten, bieten kompetente Beratung und die passenden Teile aus unserem umfangreichen Lamborghini-Espada-Ersatzteilkatalog .

Wir möchten jedes Teil für dieses klassische Modell liefern. Vom Herzstück der Kraft des Espada – einschließlich Lichtmaschinen , Bremssätteln und -scheiben , Kurbelwellenkomponenten oder sogar einem kompletten Motor – bis hin zu seiner äußeren Eleganz mit Lichtern , Karosserieteilen und Rädern ist unsere Auswahl oft unübertroffen.

Seit Jahren arbeiten wir eng mit Espada-Restaurierungsspezialisten und -Enthusiasten zusammen und bieten alles, was Sie für Reparatur- und Wartungsprojekte benötigen . Ob Karosserieteile wie Verkleidungen und Türen oder die Veredelung des Innenraums mit Armaturenbrett und Lenkrädern – unser Wissen und unsere Ressourcen sind darauf ausgerichtet, Ihren Bedarf an Ersatzteilen zu decken.

Um genau das passende Ersatzteil zu finden, sehen Sie sich die detaillierten Espada-Ersatzteildiagramme an. Alternativ können Sie oben auf der Seite suchen, in der Teileübersicht stöbern oder sich an unsere Lamborghini-Ersatzteilexperten wenden .

Globaler Lamborghini Espada-Ersatzteillieferant

Unser kompetentes Team wird von einer Leidenschaft für Luxus-Supersportwagen angetrieben und jedes einzelne Ersatzteil, das wir auf Lager haben, wurde sorgfältig kategorisiert und organisiert, um sicherzustellen, dass wir es Ihnen in Rekordzeit zukommen lassen können.

Für vorrätige Teile bieten wir Lieferungen am nächsten Tag nach Großbritannien, in die USA, nach Frankreich, Deutschland und Italien an. So erhalten Sie schnell, was Sie benötigen. Unsere Kunden in Japan, Dubai, Australien und anderen Ländern weltweit erhalten Ihre Teile bereits nach zwei Tagen . Unser professionelles Verpackungsteam verwendet hochwertiges Verpackungsmaterial, sodass Sie sich darauf verlassen können, dass Ihre Teile in einwandfreiem Zustand bei Ihnen ankommen.

Für alle, die Wert auf Authentizität und Wert legen, ist unsere hauseigene Schrottwerkstatt eine wahre Fundgrube. Wir sind auf die sorgfältige Demontage exotischer Fahrzeuge, darunter viele Lamborghinis, spezialisiert und bieten eine große Auswahl an gebrauchten Lamborghini-Teilen . Dieser Service unterstützt nicht nur nachhaltige Praktiken, sondern bietet auch die Möglichkeit, seltene Teile zu wettbewerbsfähigen Preisen zu erwerben.

Eurospares: Ihr leidenschaftlicher Ersatzteilpartner

Kontaktieren Sie unsere freundlichen und kompetenten Mitarbeiter, wenn Sie Informationen zu Lamborghini Espada-Teilen benötigen. Das Eurospares -Team versendet seit 1985 exotische Autoteile und Zubehör an Kunden weltweit.

Dank unseres umfangreichen Lagerbestands und unserer langjährigen Erfahrung kommen unsere Kunden immer wieder gerne zu uns, um Ersatzteile zu kaufen und sich beraten zu lassen. Wir sind stolz auf unseren guten Ruf für Qualität und Zuverlässigkeit. Kontaktieren Sie uns gerne, wenn Sie Hilfe benötigen.