Lamborghini Miura P400S Teildiagramme
Durchsuchen Sie unsere Online-Teilediagramme, um alle Zubehör- und Ersatzteile für Ihr Lamborghini Miura P400S zu finden.
 001 
MOTOR

 002 
MOTOR

 003 
KURBELWELLE - PLEUEL

 004 
KOPF-TIMING-SYSTEM

 005 
ÖLFILTER

 006 
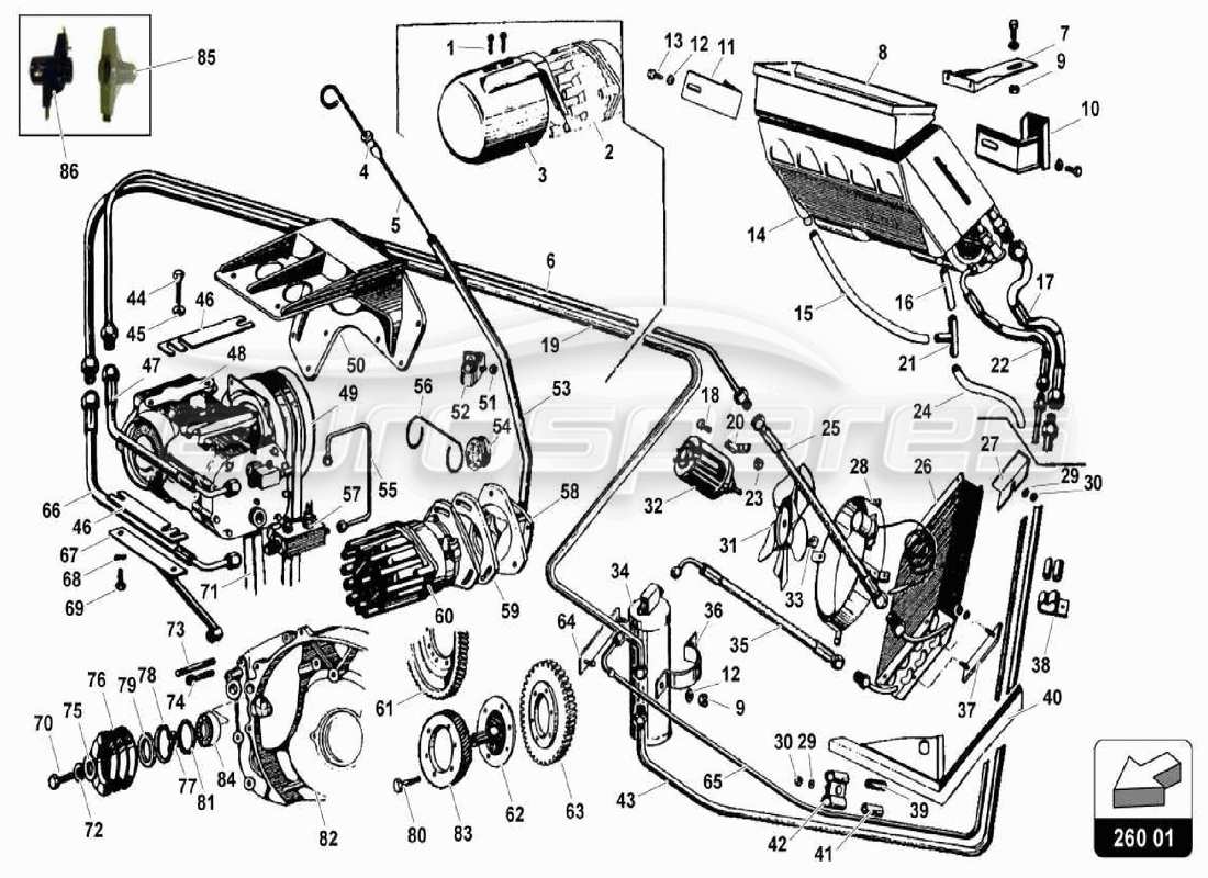
WASSERKÜHLSYSTEM

 007 
WASSERKÜHLSYSTEM

 008 
KUPPLUNG (MANUELL)

 009 
RH-PANZER

 010 
KRAFTSTOFFSYSTEM

 011 
ABGASANLAGE (SV)

 011A 
ABGASANLAGE (P400/S)

 012 
KLIMAANLAGE

 013 
KLIMAANLAGE

 014 
WELLENMONTAGE

 015 
GETRIEBE-HECKDIFFGEHÄUSE

 016 
MECHANISCHER AKTUATOR

 017 
GETRIEBESCHALTSTANGEN UND -GABELN

 018 
HINTERES DIFF

 019 
VORDERE ARME

 020 
LENKUNG

 021 
LENKGETRIEBE

 022 
HINTERRADAUFHÄNGUNG

 023 
HINTERRADAUFHÄNGUNG

 024 
REIFEN

 025 
BREMSSYSTEM

 026 
BREMSSYSTEM

 027 
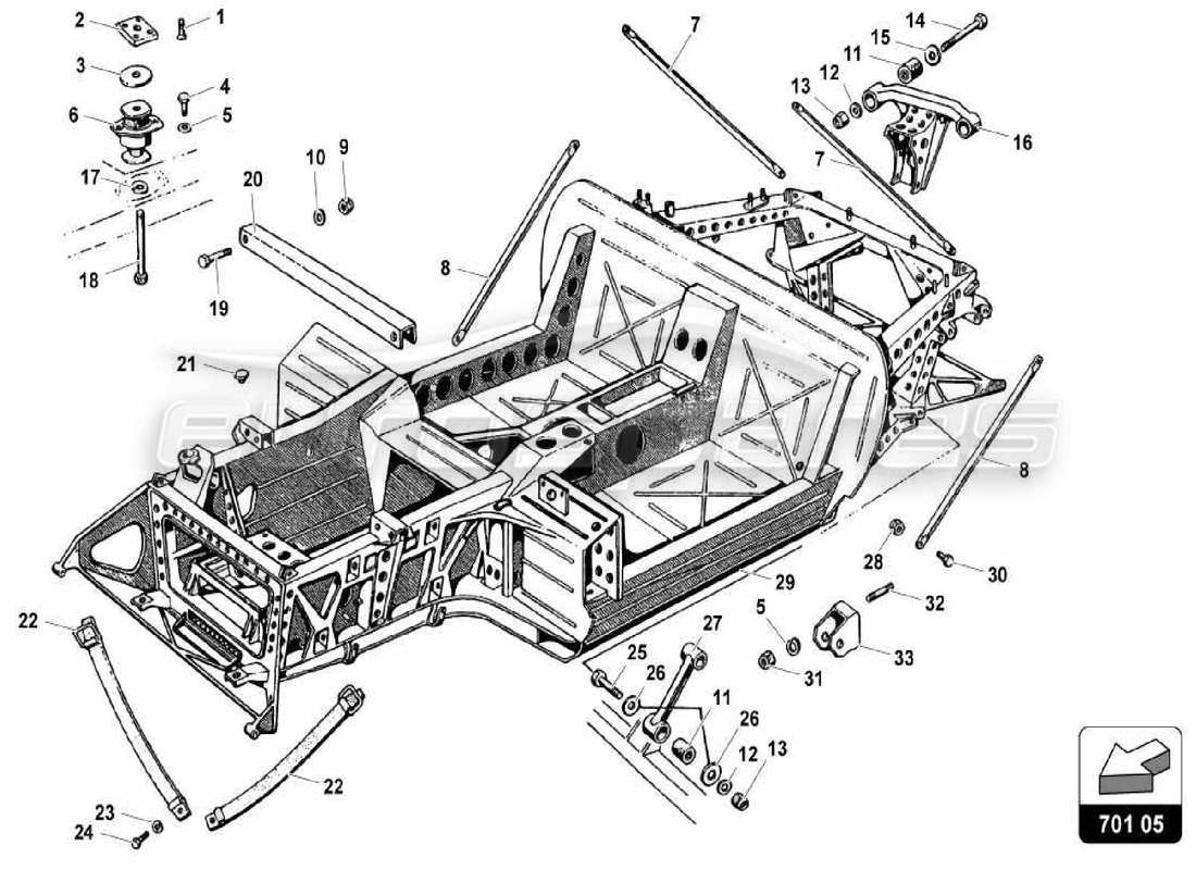
MITTELRAHMENELEMENTE

 028 
MANUELLE GETRIEBESTEUERUNG

 029 
HANDBREMSE

 030 
BREMS- UND KUPPLUNGSPEDAL

 031 
KÖRPER

 031A 
KÖRPER

 032 
KÖRPER

 033 
HITZESCHILD

 034 
ELEKTRISCHES SYSTEM

 035 
BELEUCHTUNG

 036