Maserati QTP. V8 3.8 530bhp 2014 Auto Teildiagramme
Sorgen Sie mit Original-Ersatzteilen für die Sicherheit und Leistung Ihres Maserati QTP. V8 3.8 530bhp 2014 Auto. Finden Sie sie mithilfe unserer Teilediagramme!
001
KURBELGEHÄUSE

002
KURBELMECHANISMUS

003
ZUSATZGERÄTERIEMEN

004
RECHTER ZYLINDERKOPF

005
LINKER ZYLINDERKOPF

006
NOCKENWELLEN DES RECHTEN ZYLINDERKOPFES

007
NOCKENWELLEN DES LINKEN ZYLINDERKOPFES

008
ZEITLICHE KOORDINIERUNG

009
VENTILE

010
TURBOLADERSYSTEM: AUSRÜSTUNG

011
TURBOLADERSYSTEM: SCHMIERUNG UND KÜHLUNG

012
LADELUFTKÜHLERSYSTEM

013
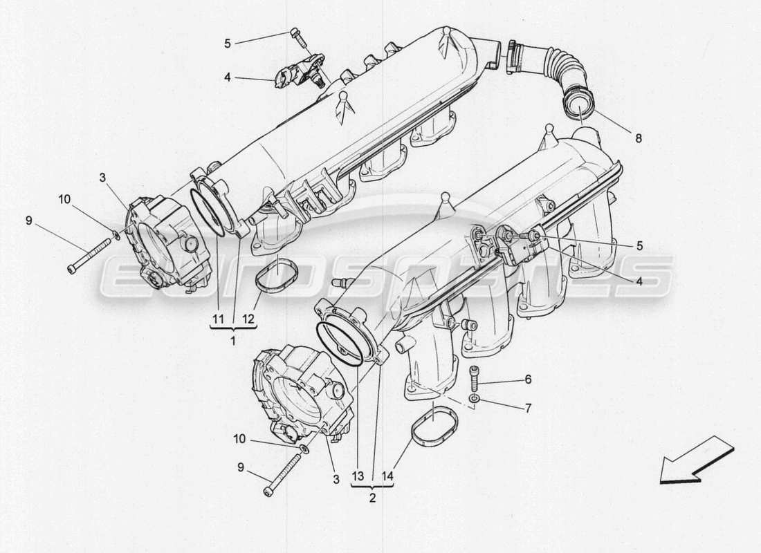
ANSAUGKRÜMMER UND DROSSELKLAPPENGEHÄUSE

014
LUFTFILTER, LUFTEINLASS UND KANÄLE

015
TREIBSTOFFTANK

016
KRAFTSTOFFPUMPEN UND VERBINDUNGSLEITUNGEN

017
KRAFTSTOFFPUMPEN UND VERBINDUNGSLEITUNGEN

018
KRAFTSTOFFDAMPF-REZIRKULATIONSSYSTEM

019
ZUSÄTZLICHES LUFTSYSTEM

020
ZUSÄTZLICHES LUFTSYSTEM

021
ZUSÄTZLICHES LUFTSYSTEM

022
SCHMIERSYSTEM: KREISLAUF UND SAMMLUNG

023
SCHMIERSYSTEM: PUMPE UND FILTER

024
WÄRMETAUSCHER

025
ÖLDAMPF-REZIRKULATIONSSYSTEM

026
KÜHLUNG: LUFTKÜHLER UND KANÄLE

027
KÜHLUNG: NOURICE UND LINIEN

028
KÜHLUNG: NOURICE UND LINIEN

029
KÜHLUNG: NOURICE UND LINIEN

030
KÜHLUNG: WASSERPUMPE

031
VORKATALYTISCHE KONVERTER UND KATALYTISCHE KONVERTER

032
SCHALLDÄMPFER

033
ELEKTRONISCHE STEUERUNG: EINSPRITZUNG UND MOTORSTEUERUNG

034
ELEKTRONISCHE STEUERUNG: MOTORZÜNDUNG

035
FAHRERSTEUERUNG FÜR AUTOMATIKGETRIEBE

036
GETRIEBEGEHÄUSE

037
GETRIEBEGEHÄUSE

038
DIFFERENTIAL- UND HINTERACHSWELLEN

039
GETRIEBEWELLE

040
SCHMIERUNG UND KÜHLUNG DES GETRIEBEÖLS

041
BREMSSERVOSYSTEM

042
BREMSVORRICHTUNGEN AN VORDERRÄDERN

043
BREMSVORRICHTUNGEN AN HINTERRÄDERN

044
LINIEN

045
FESTSTELLBREMSE

046
BREMSSTEUERSYSTEME

047
LENKSÄULE UND LENKRADEINHEIT

048
LENKZAHNSTANGE UND HYDRAULISCHE LENKPUMPE

049
KOMPLETTE PEDALBOARD-EINHEIT

050
RÄDER UND REIFEN

051
VORDERRADAUFHÄNGUNG

052
VORDERE STOßDÄMPFERVORRICHTUNGEN

053
VORDERES UNTERGESTELL

054
HINTERRADAUFHÄNGUNG

055
HINTERRADAUFHÄNGUNG

056
HINTERE STOßDÄMPFERVORRICHTUNGEN

057
HINTERES FAHRGESTELL

058
ELEKTRONISCHE STEUERUNG (AUFHÄNGUNG)

059
FRONT-AIRBAG-SYSTEM

060
VORDERES SEITENTASCHENSYSTEM

061
FENSTERTASCHENSYSTEM

062
CRASH-SENSOREN

063
VORDERE SICHERHEITSGURTE

064
SICHERHEITSGURTE HINTEN

065
REIFENDRUCKKONTROLLSYSTEM

066
ZUBEHÖR IM LIEFERUMFANG ENTHALTEN

067
ZUBEHÖR IM LIEFERUMFANG ENTHALTEN

068
AFTER-MARKET-ZUBEHÖR

069
AFTER-MARKET-ZUBEHÖR

070
EXTERNE FAHRZEUGGERÄTE

071
INTERNE FAHRZEUGGERÄTE

072
ENERGIEERZEUGUNG UND -SPEICHERUNG

073
SCHEINWERFER-CLUSTER

074
RÜCKLICHT-CLUSTER

075
STEUERUNG DES BELEUCHTUNGSSYSTEMS

076
WECHSELSTROMEINHEIT: GERÄTE IM MOTORRAUM

077
WECHSELSTROMEINHEIT: GERÄTE IM MOTORRAUM

078
A C-EINHEIT: DASHBOARD-GERÄTE

079
A C EINHEIT: DIFFUSION

080
AC-EINHEIT: TUNNELGERÄTE

081
WECHSELSTROMEINHEIT: ELEKTRONISCHE STEUERUNG

082
WECHSELSTROMEINHEIT: ELEKTRONISCHE STEUERUNG

083
DASHBOARD-GERÄTE

084
MITTELKONSOLENGERÄTE

085
MITTELKONSOLENGERÄTE

086
TÜRGERÄTE

087
ALARM- UND WEGFAHRSPERRESYSTEM

088
HAUPTVERKABELUNG

089
HAUPTVERKABELUNG

090
HAUPTVERKABELUNG

091
RELAIS, SICHERUNGEN UND KÄSTEN

092
ANSCHLÜSSE

093
SCHALLDIFFUSIONSSYSTEM

094
SCHALLDIFFUSIONSSYSTEM

095
IT SYSTEM

096
IT SYSTEM

098
KAROSSERIE UND VORDERE AUSSENVERKLEIDUNG

099
KAROSSERIE UND ZENTRALE AUSSENVERKLEIDUNGEN

100
KAROSSERIE UND HINTERE AUSSENVERKLEIDUNG

101
VORDERE STRUKTURRAHMEN UND BLECHPLATTEN

102
ZENTRALE STRUKTURRAHMEN UND BLECHPLATTEN

103
HINTERE STRUKTURRAHMEN UND BLECHPLATTEN

104
FRONTSTOßSTANGE

105
HINTERE STOßSTANGE

106
PARKSENSOREN

107
RADHAUS UND DECKEL

108
UNTERBODEN- UND UNTERBODENSCHUTZ

109
SCHILDE, VERKLEIDUNGEN UND ABDECKPLATTEN

110
VERZIERUNGEN, MARKEN UND SYMBOLE

111
AUFKLEBER UND ETIKETTEN

112
AUFKLEBER UND ETIKETTEN

113
VORDERDECKEL

114
HINTERER DECKEL

115
HINTERER DECKEL

116
KRAFTSTOFFTANK-TÜR UND BEDIENELEMENTE

117
TASTE ZUM ÖFFNEN DES VORDEREN DECKELS

118
STEUERUNG ZUM ÖFFNEN DER HECKKLAPPE

119
STEUERUNG ZUM ÖFFNEN DER HECKKLAPPE

120
VORDERTÜREN: ZIERBLECHE

121
HAUSTÜREN: MECHANISMEN

122
HINTERE TÜREN: ZIERBLECHE

123
HINTERE TÜREN: MECHANISMEN

124
FENSTER UND FENSTERLEISTEN

125
INNEN- UND AUSSENRÜCKSPIEGEL

126
VORDERSITZE: VERKLEIDUNGEN

127
VORDERSITZE: VERKLEIDUNGEN

128
VORDERSITZE: VERKLEIDUNGEN

129
VORDERSITZE: MECHANIK UND ELEKTRONIK

130
VORDERSITZE: MECHANIK UND ELEKTRONIK

131
RÜCKSITZE: VERKLEIDUNG

132
RÜCKSITZE: VERKLEIDUNG

133
RÜCKSITZE: MECHANIK UND ELEKTRONIK

134
RÜCKSITZE: MECHANIK UND ELEKTRONIK

135
VERKLEIDUNGEN UND SEITENVERKLEIDUNGEN DES FAHRZEUGRAUMS B-SÄULE

136
DACH- UND SONNENBLENDE

137
HINTERE HUTABLAGE

138
HINTERE HUTABLAGE

139
HINTERE HUTABLAGE

140
ARMATURENBRETTEINHEIT

141
ZUBEHÖRKONSOLE UND MITTELKONSOLE

142
HANDSCHUHFÄCHER

143
ZUBEHÖRKONSOLE UND RÜCKKONSOLE

144
PASSAGIERRAUMMATTEN

145
GEPÄCKRAUMMATTEN

146
SCHALLSCHUTZPLATTEN IM FAHRZEUGINNENRAUM

147
SCHALLSCHUTZPLATTEN IM FAHRZEUGINNENRAUM

148
WÄRMEDÄMMPLATTEN

149