Ausrüstung
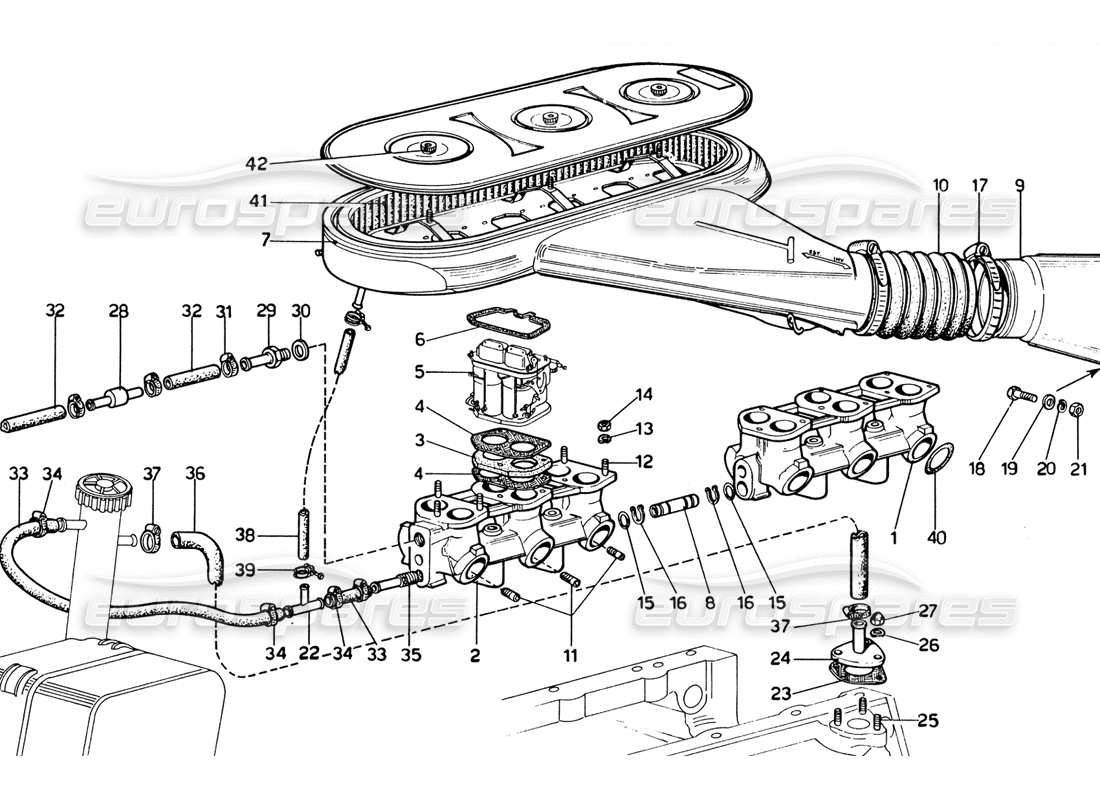
OE DICHTUNG (VERGASER ZU LUFTKASTEN) OE
-part-diagram-011.webp)
Diagramme anzeigen ![]() |
- Geschätzte Lieferzeit: £10.00 to 94102, United KingdomBestellung innerhalb der nächsten 5 Std., 4 Protokoll, 58 Sekunden für den versand am nächsten werktag
- Original Ausrüstung
Teilenummer 9180926 wurde in den folgenden Teilekatalogen gefunden:
Wenn Sie dieses Teil woanders günstiger gefunden haben und möchten, dass wir versuchen, den Preis anzupassen, teilen Sie uns dies bitte über dieses Formular mit.
Um Fotos eines Teils anzufordern, müssen Sie auf der Website angemeldet sein. Klicken Sie hier, um sich anzumelden oder zu registrieren.
Wenn Sie mehr Informationen zu diesem Teil wissen möchten, um sicher zu sein, dass es das richtige ist, verwenden Sie bitte dieses Formular und fragen Sie, was Sie wissen möchten.
TEILBESCHREIBUNG
Original AUSRÜSTUNG, DICHTUNG (VERGASER ZU LUFTKASTEN) OE, TEILENUMMER: 9180926
Teilenummer 9180926 ist in einigen Teilekatalogdiagrammen dieser Modellfamilien enthalten: Ferrari 365
Derzeit verfügbar als: Original Equipment New (in stock), Genuine Ferrari Teil neu (auf Bestellung)
